Description:
Applications: Milk Shaker
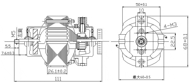
Outlines

Remark: We can produce according to customers requirement.
Specifications
Volts.(V) | Freq.(Hz) | NO-LOAD | LOAD | I.P. | O.P. | EFF. | ||||
SPEED | CURRENT(A) | POWER | SPEED | TORQUE | CURRENT (A) | |||||
220 | 50/60 | 20000 | 0.35 | 80 | 6800 | 0.2 | 1.32 | 274 | 142 | 51.8 |
110 | 60 | 19800 | 0.7 | 79 | 6780 | 0.2 | 2.8 | 277 | 142.7 | 51.5 |